Home
> Products > Spectroscope and Imaging > Spectral Cameras and Detectors > Near Infrared Linear Array Detectors>
DField series InGaAs Linear Array Detectors

DField series InGaAs Linear Array Detectors
DField-NIR series InGaAs linear array detector features large dynamic range, low noise, wide spectral range, and has a wide application space. Its wavelength coverage range can reach 850nm~2200nm.
Features:
See All FeaturesDField-NIR series InGaAs linear array detector features large dynamic range, low noise, wide spectral range, and has a wide application space. Its wavelength coverage range can reach 850nm~2200nm.
Specifications

Spectral Responsivity

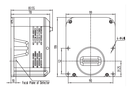
Dimension drawing


Filter:
Request for Information
Do you have any questions or requests? Use this form to contact our specialists.




